| Центральный ФО | Северо-Западный ФО | Южный, Северо-Кавказский и Крымский ФО | ||
| Москва +7 (495) 545-34-19 info@estl.ru |
Люберцы +7 (495) 545-34-19 info@estl.ru |
Санкт-Петербург +7 (812) 646-22-45 spb@estl.ru |
Ростов-на-Дону +7 (918) 555-22-19 ug@estl-ug.ru |
|
| Приволжский ФО | ||||
| Киров +7 (8332) 255-400 kirov@estl.ru |
Самара +7 (846) 313-38-87 samara@estl.ru |
Уфа +7 (347) 299-18-33 ufa@estl.ru |
Набережные Челны +7 (8552) 49-12-32 nch@estl.ru |
Чебоксары +7 (916) 146-69-70 o@estl.ru |
| Сибирский ФО | |
| Новосибирск +7 (383) 222-45-09 nsk@estl.ru |
Красноярск +7 (916) 146-69-70 o@estl.ru |
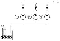
Шкаф управления предназначен для автоматического управления одно, двух или трех насосными станциями водоотведения или ливневыми насосными станциями по технологическим датчикам уровня.
Шкаф управления поддерживает заданное значение уровня в резервуаре.
Поддержание уровня реализуется при помощи изменения
производительности основного насоса и/или каскадного подключения/отключения пиковых насосов.
Уровень в резервуаре измеряется при помощи поплавковых сигнализаторов уровня, формирующие сигналы типа нормально открытый «сухой контакт».

Для работы по сигнализаторам система должна быть укомплектована четырьмя поплавковыми или иными датчиками уровня:
Для работы с системой сигнализаторы должны иметь нормально открытый «сухой контакт», замыкающийся при срабатывании датчика.
При включении сигнализатора верхнего уровня система запускает алгоритм подключения насоса и начинает отсчет времени. Если по истечении времени уровень в резервуаре не упал ниже верхнего уровня (отключился сигнализатор верхнего уровня), система производит включение доступного насоса.
Процесс включения насоса повторяется до тех пор, пока не отключится сигнализатор верхнего уровня или не останется доступных насосов.
Насосы подключаются по наименьшему значению накопленной наработки.
При достижении верхнего аварийного уровня (включении сигнализатора) подключаются все доступные насосы.
При отключении сигнализатора нижнего уровня система запускает алгоритм отключения насоса и начинает отсчет времени. Если по истечении времени уровень в резервуаре не поднялся выше нижнего уровня (включился сигнализатор нижнего уровня), система производит отключение насоса.
Процесс отключения повторяется до тех пор, пока не включится сигнализатор нижнего уровня или не останется включенных насосов.
Насосы отключаются по наибольшему значению времени непрерывной работы.
При достижении нижнего аварийного уровня (отключении сигнализатора) отключаются все работающие насосы.



Наименование |
Описание |
Тип регулирования станции |
Поддержание уровня |
Количество насосов |
От 1 до 3 |
Ток насоса |
От 2,5 А до 65 А |
Мощность насоса |
От 1,5 кВт до 30 кВт |
Электроснабжение в соответствии с ГОСТ 13109-97 |
380 В ±10%, 50 Гц ±0.2; |
Максимальное сечение медной жилы кабеля каждого ввода питания |
Зависит от мощности |
Температура окружающей среды |
0..+40 С |
Степень защиты |
IP 54 |
Тип подключаемых дискретных сигналов |
"Сухой контакт" |
Тип выходных дискретных сигналов |
"Сухой контакт" макс. 220 В, 5 A |
Максимальное расстояние до подключаемых датчиков |
200 м |
Сечение подключаемых к датчикам проводов |
не менее 0,75 кв.мм. |
Климатическое исполнение |
УХЛ4 |